https://www.actuatech.fr/images/testate/qvn4MF_testata222.jpg

KPLEM4 positionneur electropneumatique 4-20mA

LE POSITIONNEUR EST LIVRÉ NON CALIBRÉ. ACTUATECH S.P.A. N'EST PAS RESPONSABLE DE L'INSTALLATION.

DESCRIPTION
Le positionneur électropneumatique à came est particulièrement adapté pour l'actionnement proportionnel des actionneurs GD et GS. Le positionneur est raccordé à l'actionneur via un support qui est fixé sur l’alésage de l'actionneur. Un signal électrique de régulation, donné par : thermostat, viscosimètre, pressostat, etc. est envoyé au positionneur qui, en fonction de la valeur de ce signal, ajuste l'angle d'ouverture ou de fermeture de la vanne. L'action dans le sens horaire ou antihoraire peut être modifiée sans avoir à utiliser de pièces supplémentaires, il suffit de renverser la came interne et d'inverser les connexions vers l'actionneur.

CARACTÉRISTIQUES PRINCIPALES
- Alimentation : air non lubrifié et filtré à 5μ
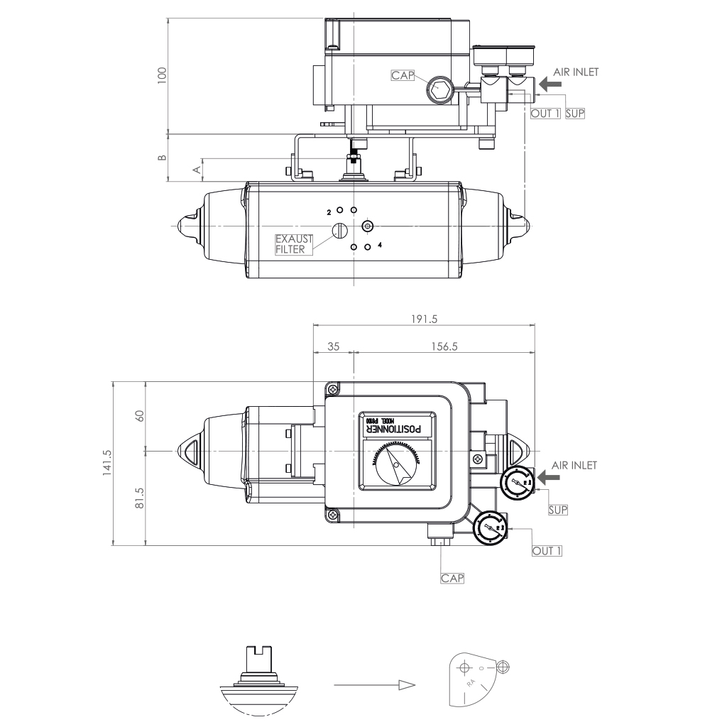
- Courant d'entrée : 4÷20 mA CC
- 2 manomètres : 1 pour la pression de ligne (SUPPLY), 1 pour la pression de commande (OUT1).
- Résistance d'entrée : 235 ± 15 Ohm (4÷20 mA CC)
- Raccordements pneumatiques : 1/4 NPT
- Connexions électriques : M20 X 1,5
- Linéarité : <± 2 % PE
- Sensibilité : <0,5 % PE
- Consommation d'air : de 5 Nl/min. (P=1,4 bar) à 11 Nl/min. (P=4 bar)
- Température de fonctionnement : de -20 °C à +80 °C
- Indice de protection environnementale : IP65 (conformément à la Pub. CEI 60529)

CERTIFICATIONS
Sur demande

SMC - IP 8100

REMARQUES
Sur demande, les positionneurs pneumatiques et électropneumatiques sont fournis réglés et assemblés à l'aide de tubes en aluminium revêtu et de raccords rapides.

Réglage A = 0 ° - 90 ° :
- Signal de commande 4mA : position fermée
- Signal de commande 20mA : position ouverte
Réglage D = 90 ° - 0 ° :
- Signal de commande 4mA : position ouverte
- Signal de commande 20mA : position fermée

Pour plus d'informations, veuillez consulter le manuel d'utilisation et d'entretien.

Positionneur avec actionneur double effet

Positionneur avec actionneur simple effet

MesureGD15÷GD120
GS15 ÷ GS60  
GD180÷GD1920
GS90÷GS960  
A (mm)2030
B (mm)4151

X FERMER

PROCHAIN ÉVÈNEMENT

Desalination Technology Expo 2025
Desalination Technology Expo 2025
Valencia, Spain, 4 - 5 - 6 November 2025