https://www.actuatech.fr/images/testate/pRY0nc_slide1.jpg

RP - double effet DA

  • caractéristiques
  • dimensions
  • matériaux
  • diagrammes et couples de démarrage
  • spécifications
  • documents

DONNÉES TECHNIQUES
• Couple de 10 Nm à 474 Nm.
• Bride de raccordement : EN ISO 5211 : F03 - F04 - F05 - F07 - F10 - F12.
• Conforme à la norme EN 15714-3.
• Conforme à la directive ATEX 2014/34/UE.
• Angle de rotation : 100° (-5° + 95°).
• Double réglage -5° et +5° pour chaque fin de course (0° et 90°).
• Couple : Directement proportionnel à la pression d'alimentation (voir tableau).
• Dans chaque actionneur, le chiffre qui suit le sigle RK correspond à la valeur du couple en Nm délivrée à une pression de 5,6 bar.

CONDITIONS DE FONCTIONNEMENT
• Température standard : de -20 °C à +80 °C.
Versions spéciales :
- haute température : -20 °C + 150 °C.
- basses températures : -50 °C + 60 °C.
• Pression nominale : 5,5 bar ; maximum de fonctionnement 8 bar.
• Fluide d’alimentation : air comprimé filtré, pas nécessairement lubrifié selon la norme UNI EN 15714-3:2009.
• En cas de lubrification, utiliser une huile non détergente compatible avec les joints internes.

VERSIONS SPÉCIALES SUR DEMANDE, CLÉ DE CODIFICATION


CARATTERISTICA
Actionneur oscillant
RP
Taille
0010, 0020, 0040, 0060, 0080, 00120, 00160, 0240, 0300, 0480
Client
VOACTUATECH
Angle de rotation [°]
A90°
B*180°
C*120°
D*135°
Direction de fermeture
RFermeture dans le sens des aiguilles d'une montre
LFermeture dans le sens inverse des aiguilles d’une montre
Fonctionnement
SSimple effet N.F.
OSimple effet N.O.
DDouble effet
Ressorts utilisés
00Sans ressorts
20Ressorts pour 2,0 bar
25Ressorts pour 2,5 bar
30Ressorts pour 3,0 bar
35Ressorts pour 3,5 bar
40Ressorts pour 4,0 bar
45Ressorts pour 4,5 bar
50Ressorts pour 5,0 bar
55Ressorts pour 5,5 bar
60Ressorts pour 6,0 bar

Type de bride, en cas de
double bride, la plus petite
03F03
04F04
05F05
07F07
10F10
12F12
Forme du siège de l'arbre inférieur
QArbre en étoile
D*Arbre double plan
Taille du siège de l'arbre inférieur
09Carré de 9 mm
11Carré de 11 mm
14Carré de 14 mm
17Carré de 17 mm
22Carré de 22 mm
27Carré de 27 mm
Connexion d'air
GEmbase Namur, filets GAZ
NEmbase Namur, filetages NPT
0Filetage gaz sur le cylindre sans embase
(pas d'interface Namur)
IInterface Namur, filetages Gaz intégrés
Version
-Standard
6*Basse température
4*Haute température

* Uniquement sur demande.
N.B. Pour les versions spéciales, contactez ACTUATECH.



EXEMPLE DE CODIFICATION POUR RP

Clé de codification: RP0040VAARD0005Q11G
Description du produit: RP 40 DOUBLE EFFET ISO F05 07 ARBRE EN ÉTOILE 11 mm AVEC EMBASE NAMUR GAZ.

Clé de codification: RP0300VAARD0007Q22I
Description du produit: RP 300 DOUBLE EFFET ISO F07 10 ARBRE EN ÉTOILE 22 mm AVEC INTERFACE NAMUR GAZ INTÉGRÉE DANS LE CYLINDRE.

Clé de codificationRP0040VAARS6005Q11G
Description du produit: RP 40 DOUBLE EFFET 6 BAR ISO F05 07 ARBRE EN ÉTOILE 11 mm AVEC EMBASE NAMUR GAZ.

Clé de codification: RP0300VAARS6007Q22I
Description du produit: RP 300 SIMPLE EFFET 6 BAR ISO F07 10 ARBRE EN ÉTOILE 22 mm AVEC INTERFACE NAMUR INTÉGRÉE DANS LE CYLINDRE.

RK10 ÷ RK240

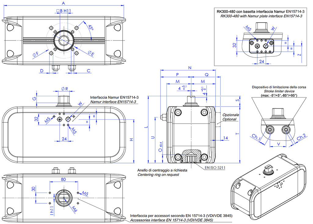
DIMENSIONS [mm]
MesureRK10RK10RK20RK20RK20RK20RK40RK40RK40RK40RK60RK80RK120RK160RK240
ISOF03F04F03/F05F03/F05F04F04F04F04F05/F07F05/F07F05/F07
F05/F07
F05/F07
F07/F10F07/F10
A121,7
121,7
153,7
153,7
153,7
153,7
180,4
180,4
180,4
180,4
215,4
235,5
265,9
285,9
318,4
B9
9
911911
11
14
11
141417172222
C x profondeurM5x8
M5x8
M5x8
M5x8
M5x8
M5x8
M5x8
M5x8
M6x9
M6x9
M6x9
M6x9
M6x9
M8x12
M8x12
D x profondeur--M6x9
M6x9
----M8x12
M8x12
M8x12
M8x12
M8x12M10x15
M10x15
E36
4236
36
4242424250
50
50
50
50
7070
F--5050----70
70
70
70
70
102102
G101010101010
1313
13
13
13
13
13
13
19,5
H333350,950,950,9
50,9
60,8
60,8
60,8
60,8
68,7
75,6
87,6
97,5
112
I999999
12
12
12
12
12
15151922
J505080808080
80
80
80
80
80
80
80
80
80
K252530303030
30
30
30
30
30
30
30
30
30
L8080100100100100
112
112
112
112
122
130143154180
M24,524,530303030
36,5
36,5
36,5
36,5
41,5
46
51
56,5
64
N71*
71*
82,5*
82,5*
82,5*82,5*
95,5*
95,5*
95,5*
95,5*
107,8*
116,5*
127*
141*
159*
O10,7
10,7
13,213,2
13,2
13,2
16,5
16,5
16,5
16,5
16,5
19,3
19,3
24,3
24,3
P32,5*
32,5*
38,5*38,5*
38,5*
38,5*
45*
45*
45*
45*
52,3*
56,5*
62*
70,5*
81*
Q38,5
38,5
4444
44
44
50,5
50,5
50,5
50,5
55,5606570,578
R10,9
10,9
12,712,7
12,7
12,7
16,2
16,2
16,2
16,2
1820,222,525,531,8
S15
152020
20
20
20
20
20
20
20
20
20
20
30
T65658080
80
80
92
92
92
92102110123134150
U494959,7559,75
59,75
59,75
70,5
70,5
70,5
70,5
70,5
8697,75106,25120,5
V16161919
19
19
21
21
21
212426323641
W standard (GAZ)1/8"
1/8"
1/8"
1/8"
1/8"
1/8"
1/8"
1/8"
1/8"
1/8"
1/8"
1/8"
1/4"
1/4"
1/4"
W spécial (NPT)
1/8"-27
1/8"-27
1/8"-27
1/8"-27
1/8"-27
1/8"-27
1/8"-27
1/8"-27
1/8"-27
1/8"-27
1/8"-27
1/8"-27
1/4"-18
1/4"-18
1/4"-18
Ch.11010101010
1010
1010
10
1313131618
Ch.23333333
33344456
Poids (kg)0,90,91,41,41,41,42,1
2,12,12,1
2,93,75,16,59
Air (dm3/cycle)0,120,120,250,250,250,250,48
0,480,48
0,48
0,75
1,04
1,481,99
2,91
Z49,849,8
59,959,959,959,969,8
69,869,8
69,8
77,7
84,6
96,6
106,6
121
W1/8"
1/8"
1/8"
1/8"
1/8"
1/8"
1/8"
1/8"
1/8"
1/8"
1/8"
1/8"
1/4"
1/4"
1/4"

H = CENTRE DES FIXATIONS EMBASE.
* Variable selon la règlementation.

RK300 ÷ RK480

DIMENSIONS [mm]
MesureRK300RK480
ISOF07/F10
F10/F12
A352,4
393,4
B22
27
C x profondeurM8x12
M10x15
D x profondeurM10x15
M12x18
E70
102
F102
125
G19,5
19,5
H125
145
I2227
L192214
M69,580
N156,5*180*
O24,329,5
P87*100*
Q83,594
R31,838
S3030
T162184
U131149,5
V4652
W standard (GAZ)1/4"1/4"
W spécial (NPT)
1/4"-18
1/4"-18
Ch.11821
Ch.266
Poids (kg)11,416,3
Air (dm3/cycle)3,775,8
Z124,5144,5
W1/4"
1/4"


H = CENTRE DES FIXATIONS EMBASE.
* Variable selon la règlementation.

RK10 ÷ RK480

MATÉRIAUX
Pos.
DescriptionQté
Matériaux
1Cylindre
1Alliage d'aluminium
2Arbre
1Alliage d'acier
3*Collier (support supérieur arbre)
1Résine acétal
4*Collier (support inférieur arbre)
1Résine acétal
5*Joint torique (garniture inférieure de l'arbre)
1Caoutchouc nitrile
6Came
1Alliage d'acier
7*Bague de support interne
1Résine acétal
8*Bague de support extérieure
1Résine acétal
9Rondelle de calage
1Acier inoxydable
10*Anneau élastique Seeger
1Acier inoxydable
11*Joint torique (OR)**
2Caoutchouc nitrile
12*Joint torique arbre supérieur
1Caoutchouc nitrile
13Embase Namur**
1Alliage d'aluminium
14Vis**
2Acier inoxydable
15*Joint torique
2Caoutchouc nitrile
16*Rondelle (réglage de course)
2Acier inoxydable
17*Écrou (réglage de course)
2Acier inoxydable
18*Vis sans tête de réglage
2Acier inoxydable
19Piston
2Alliage d'aluminium
20*Patin de support de piston
4Résine acétal
21*Bague d'étanchéité
2Polyuréthane
22*Joint torique
2Caoutchouc nitrile
23*Joint torique bouchon
2Caoutchouc nitrile
24Bouchon
2Alliage d'aluminium
25Vis
8Acier inoxydable

* Détails du kit des pièces de rechange.
** Absent sur certains modèles, voir le tableau des codes.

DIAGRAMME COUPLE « GD » (Nm)

TABLEAU COUPLE RACKON « GD » (Nm)
MesureAir bar
2 bar2,5 bar3 bar3,5 bar4 bar4,5 bar5 bar5,5 bar5,6 bar6 bar7 bar8 bar
RK103,74,75,66,67,58,49,410,310,511,213,115,0
RK207,39,111,012,814,616,418,320,120,521,925,629,2
RK4013,917,420,924,427,931,334,838,339,041,848,755,7
RK60
21,226,531,937,242,547,853,158,459,563,774,384,9
RK80
30,037,544,952,459,967,474,982,483,989,9104,9119,9
RK120
42,753,464,074,785,496,1106,7117,4119,5128,1149,4170,8
RK160
58,573,287,8102,5117,1131,7146,4161,0163,9175,6204,9234,2
RK240
85,2106,5127,8149,1170,4191,7213,0234,3238,6255,6298,2340,8
RK300
109,8137,2164,7192,1219,6247,0274,5301,9307,4329,3384,2439,1
RK480
172,4215,5258,5301,6344,7387,8430,9474,0482,6517,1603,3689,5

Pour un couple à différentes pressions, contactez ACTUATECH.

SCHÉMA DE FONCTIONNEMENT DE L’ACTIONNEUR À DOUBLE EFFET

SCHÉMA DE FONCTIONNEMENT
En introduisant de l'air dans le trou d'alimentation 4, les pistons se déplacent vers le centre créant une rotation dans le sens des aiguilles d'une montre, la position finale est représentée dans le dessin.

SCHÉMA DE FONCTIONNEMENT
En introduisant de l'air dans le trou d'alimentation 2, les pistons se déplacent vers l'extérieur créant une rotation dans le sens inverse des aiguilles d’une montre, la position finale est représentée dans le dessin.

INSTRUCTIONS POUR LE RÉGLAGE DE LA COURSE DE L’ACTIONNEUR À DOUBLE EFFET

RÉGLAGE D’OUVERTURE

RÉGLAGE DE FERMETURE

A) Assurez-vous qu'il n'y a pas d'air sous pression dans l'actionneur (dans aucune des deux chambres).
B) Desserrez le contre-écrou A1.
C) Introduisez de l'air en baisse pression dans le trou « 2 » la pression de l'air doit être juste suffisante pour bouger les pistons jusqu'à la fin de course.
D) À l'aide d'une clé Allen, vis ou dévisser le goujon A pour obtenir le réglage souhaité (plage maximale de réglage ± 5 °).
E) Une fois le réglage souhaité obtenu, avec une clé Allen, serrez le goujon A tandis qu'avec une clé anglaise, serrez le contre-écrou A1.

N.B. Si nécessaire, répétez les opérations jusqu'à l'obtention du réglage souhaité.

A) Assurez-vous qu'il n'y a pas d'air sous pression dans l'actionneur (dans aucune des deux chambres).
B) Desserrez le contre-écrou B1.
C) Introduisez de l'air en baisse pression dans le trou « 4 » la pression de l'air doit être juste suffisante pour bouger les pistons jusqu'à la fin de course.
D) À l'aide d'une clé Allen, vis ou dévisser le goujon B pour obtenir le réglage souhaité (plage maximale de réglage ± 5 °).
E) Une fois le réglage souhaité obtenu, avec une clé Allen, serrez le goujon B tandis qu'avec une clé anglaise, serrez le contre-écrou B1.

N.B. Si nécessaire, répétez les opérations jusqu'à l'obtention du réglage souhaité.

X FERMER

PROCHAIN ÉVÈNEMENT

Valve World India 2026
Valve World India 2026
Bombay Exhibition Center, Mumbai - India, 11-12 june 2026